Bulong tiêu chuẩn ISO 4014
ISO 4014 là một tiêu chuẩn được quốc tế công nhận, lần đầu tiên được xuất bản vào năm 1979 bởi Tổ chức Tiêu chuẩn hóa Quốc tế (ISO). Tiêu chuẩn quy định các đặc tính của bu lông đầu lục giác có ren từ M1.6 đến M64. Bulong được làm bằng thép và được thiết kế để sử dụng trong các ứng dụng kỹ thuật nói chung, nơi yêu cầu độ bền và độ tin cậy cao.
Tiêu chuẩn ISO 4014 rất quan trọng vì nó đảm bảo rằng bulong do các công ty khác nhau sản xuất có chất lượng ổn định và đáp ứng các thông số kỹ thuật cần thiết về độ bền và độ tin cậy. Tiêu chuẩn quy định kích thước, dung sai, tính chất cơ học và các yêu cầu đánh dấu cho các bu lông này.
Description
ISO 4014 là một tiêu chuẩn được quốc tế công nhận, lần đầu tiên được xuất bản vào năm 1979 bởi Tổ chức Tiêu chuẩn hóa Quốc tế (ISO). Tiêu chuẩn quy định các đặc tính của bu lông đầu lục giác có ren từ M1.6 đến M64. Bulong được làm bằng thép và được thiết kế để sử dụng trong các ứng dụng kỹ thuật nói chung, nơi yêu cầu độ bền và độ tin cậy cao.
Tiêu chuẩn ISO 4014 rất quan trọng vì nó đảm bảo rằng bulong do các công ty khác nhau sản xuất có chất lượng ổn định và đáp ứng các thông số kỹ thuật cần thiết về độ bền và độ tin cậy. Tiêu chuẩn quy định kích thước, dung sai, tính chất cơ học và các yêu cầu đánh dấu cho các bu lông này.
Kích thước của bulong bao gồm bước ren, chiều dài ren và dung sai ren, cũng như chiều cao đầu, đường kính đầu và kích thước vát. Dung sai đảm bảo rằng các bulong được lắp vừa vặn và an toàn vào các bộ phận ăn khớp. Các tính chất cơ học của bulong, chẳng hạn như độ bền kéo, độ bền chảy và độ giãn dài, cũng được xác định trong tiêu chuẩn.
Các yêu cầu đánh dấu cho bulong bao gồm nhận dạng của nhà sản xuất, loại vật liệu, kích thước danh nghĩa và ký hiệu tiêu chuẩn. Việc đánh dấu này đảm bảo các bulong có thể được truy ngược lại nhà sản xuất của chúng và có thể xác định được loại vật liệu và kích thước của chúng.
ISO 4014 được sử dụng rộng rãi trong sản xuất, xây dựng và các ngành công nghiệp khác yêu cầu các chốt chịu lực nặng. Tiêu chuẩn đảm bảo rằng các bulong được sản xuất với chất lượng phù hợp và đáp ứng các thông số kỹ thuật cần thiết về độ bền và độ tin cậy. Điều quan trọng là các kỹ sư, nhà thiết kế và nhà sản xuất phải làm quen với tiêu chuẩn ISO 4014 để đảm bảo rằng bulong họ sử dụng đáp ứng các thông số kỹ thuật cần thiết, đồng thời an toàn và đáng tin cậy.
Ứng dụng
Tiêu chuẩn ISO 4014 được sử dụng rộng rãi trong các ngành công nghiệp khác nhau, bao gồm sản xuất, xây dựng, ô tô, hàng không vũ trụ và hàng hải. Nó được sử dụng trong các ứng dụng yêu cầu bulong cường độ cao chịu được tải trọng lớn và cung cấp khả năng buộc chắc chắn.
Một số ứng dụng cụ thể của bu lông tiêu chuẩn ISO 4014 bao gồm:
- Xây dựng: Bulong ISO 4014 được sử dụng trong kết cấu thép, cầu, đường cao tốc và các công trình cơ sở hạ tầng khác. Những bulong này được sử dụng để kết nối dầm thép, cột và các bộ phận kết cấu khác.
- Ô tô: Bulong ISO 4014 được sử dụng trong việc chế tạo động cơ, hộp số và các bộ phận ô tô khác yêu cầu các chốt có độ bền cao.
- Hàng không vũ trụ: Bulong ISO 4014 được sử dụng trong chế tạo máy bay để cố định các bộ phận quan trọng như cánh, bộ phận hạ cánh và giá đỡ động cơ.
- Hàng hải: Bulong theo tiêu chuẩn ISO 4014 được sử dụng trong ngành đóng tàu để cố định thân tàu, boong tàu và các bộ phận kết cấu khác.
- Máy móc: Bulong ISO 4014 được sử dụng trong việc chế tạo các loại máy móc hạng nặng như cần cẩu, máy đào và thiết bị khai thác mỏ.
Trong tất cả các ứng dụng này, tiêu chuẩn ISO 4014 đảm bảo rằng bulong được sản xuất với chất lượng ổn định và đáp ứng các thông số kỹ thuật cần thiết về độ bền và độ tin cậy. Điều này giúp đảm bảo độ an toàn và độ bền của các kết cấu, bộ phận sử dụng loại bulong này.
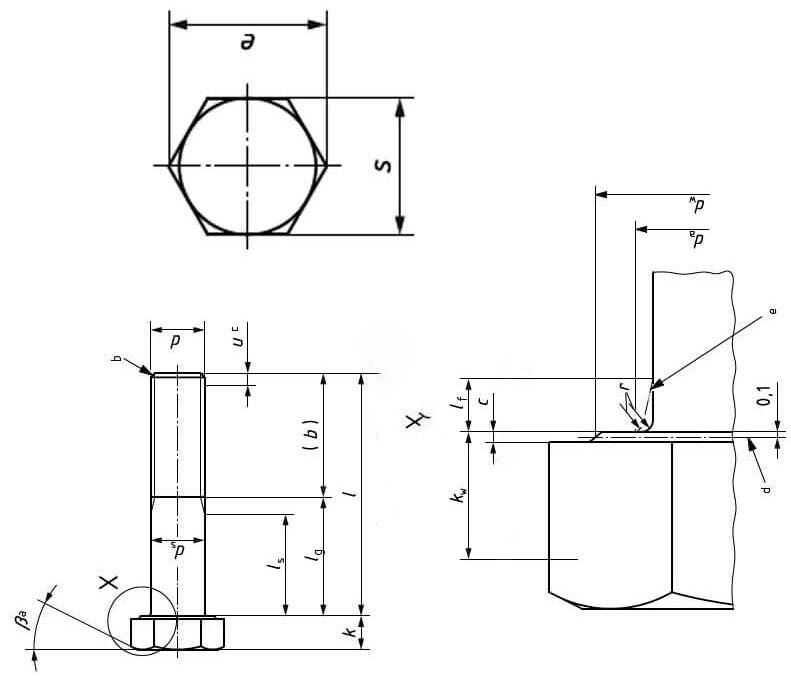
Thông số kỹ thuật bulong ISO 4014
Kích thước

| Nominal Size and Pitch |
Width Across Flat, s |
Width Across Corner, e |
Head Thickness, k |
Minimum Fillet Radius, r |
Thread Length, l |
||||||||
|---|---|---|---|---|---|---|---|---|---|---|---|---|---|
| Min. | Max. | Min. | Grade A | Grade B | |||||||||
| Grade A | Grade B | Grade A | Grade B | Min. | Max. | Min. | Max. | L ≤ 125 | 125 < L ≤ 200 | L > 200 | |||
| M5 x 0.8 | 7.78 | 7.64 | 8 | 8.79 | 8.63 | 3.35 | 3.65 | 3.26 | 3.74 | 0.2 | 16 | 22 | 35 |
| M6 x 1 | 9.78 | 9.64 | 10 | 11.05 | 10.89 | 3.85 | 4.15 | 3.76 | 4.24 | 0.25 | 18 | 24 | 37 |
| M8 x 1.25 | 12.73 | 12.57 | 13 | 14.38 | 14.2 | 5.15 | 5.45 | 5.06 | 5.54 | 0.4 | 22 | 28 | 41 |
| M10 x 1.5 | 16.73 | 16.57 | 17 | 18.9 | 18.72 | 6.22 | 6.56 | 6.11 | 6.69 | 0.4 | 26 | 32 | 45 |
| M12 x 1.75 | 18.67 | 18.48 | 19 | 21.1 | 20.88 | 7.32 | 7.68 | 7.21 | 7.79 | 0.6 | 30 | 36 | 49 |
| M16 x 2 | 23.67 | 23.16 | 24 | 26.75 | 26.17 | 9.82 | 10.18 | 9.71 | 10.29 | 0.6 | 38 | 44 | 57 |
| M20 x 2.5 | 29.67 | 29.16 | 30 | 33.53 | 32.95 | 12.28 | 12.72 | 12.15 | 12.85 | 0.8 | 46 | 52 | 65 |
| M24 x 3 | 35.38 | 35 | 36 | 39.98 | 39.55 | 14.78 | 15.22 | 14.65 | 15.35 | 0.8 | 54 | 60 | 73 |
| M30 x 3.5 | – | 45 | 46 | – | 50.85 | – | – | 18.28 | 19.12 | 1.0 | 66 | 72 | 85 |
| M36 x 4 | – | 53.80 | 55 | – | 60.79 | – | – | 22.08 | 22.92 | 1.0 | – | 84 | 97 |
| M42 x 4.5 | – | 63.1 | 65 | – | 71.3 | – | – | 25.58 | 26.42 | 1.2 | – | 96 | 109 |
| M48 x 5 | – | 73.1 | 75 | – | 82.60 | – | – | 29.58 | 30.42 | 1.6 | – | 108 | 121 |
| M56 x 5.5 | – | 82.8 | 85 | – | 93.56 | – | – | 34.5 | 35.5 | 2 | – | – | 137 |
| M64 x 6 | – | 92.8 | 95 | – | 104.86 | – | – | 39.5 | 40.5 | 2 | – | – | 153 |
Hóa học
| Property Class | Material and heat treatment | Chemical Composition Limit (cast analysis, %) |
Tempering Temp, ºC, min |
|||
|---|---|---|---|---|---|---|
| C | P, max | S, max | B, max | |||
| 4.6 | Carbon steel or carbon steel with additives | 0.55 max | 0.05 | 0.06 | Not specified | – |
| 4.8 | ||||||
| 5.6 | 0.13 – 0.55 | |||||
| 5.8 | 0.55 max | |||||
| 6.8 | 0.15 – 0.55 | |||||
| 8.8 | Carbon steel with additives (e.g. Boron or Mn or Cr) quenched and tempered |
0.15 – 0.40 | 0.025 | 0.025 | 0.003 | 425 |
| Carbon steel quenched and tempered | 0.25 – 0.55 | |||||
| Alloy steel quenched and tempered | 0.20 – 0.55 | |||||
| 9.8 | Carbon steel with additives (e.g. Boron or Mn or Cr) quenched and tempered |
0.15 – 0.40 | 0.025 | 0.025 | 0.003 | 425 |
| Carbon steel quenched and tempered | 0.25 – 0.55 | |||||
| Alloy steel quenched and tempered | 0.20 – 0.55 | |||||
| 10.9 | Carbon steel with additives (e.g. Boron or Mn or Cr) quenched and tempered |
0.20 – 0.55 | 0.025 | 0.025 | 0.003 | 425 |
| Carbon steel quenched and tempered | 0.25 – 0.55 | |||||
| Alloy steel quenched and tempered | 0.20 – 0.55 | |||||
| 12.9 | Alloy steel quenched and tempered | 0.30 – 0.50 | 0.025 | 0.025 | 0.003 | 425 |
| 12.9 | Carbon steel with additives (e.g. Boron or Mn or Cr or Molybdenum) quenched and tempered |
0.28 – 0.50 | 0.025 | 0.025 | 0.003 | 380 |
Cơ tính
Mechanical Property
| Mechanical Property | Property Class | ||||||||||
|---|---|---|---|---|---|---|---|---|---|---|---|
| 4.6 | 4.8 | 5.6 | 5.8 | 6.8 | 8.8 | 9.8 M16 and under |
10.9 | 12.9/ 12.9 |
|||
| M16 and under |
Over M16 | ||||||||||
| Tensile strength, Rm, MPa | nom. | 400 | 500 | 600 | 800 | 900 | 1000 | 1200 | |||
| min. | 400 | 420 | 500 | 520 | 600 | 800 | 830 | 900 | 1040 | 1220 | |
| Lower yield strength, ReL, MPa | nom. | 240 | — | 300 | — | — | — | — | — | — | — |
| min. | 240 | — | 300 | — | — | — | — | — | — | — | |
| Stress at 0,2 % non-proportional elongation, Rp0,2, MPa |
nom. | — | — | — | — | — | 640 | 640 | 720 | 900 | 1080 |
| min. | — | — | — | — | — | 640 | 660 | 720 | 940 | 1100 | |
| Stress at 0,0048 d non-proportional elongation for full-size fasteners, Rpf, MPa |
nom. | — | 320 | — | 400 | 480 | — | ||||
| min. | — | 340 | — | 420 | 480 | — | |||||
| Stress under proof load, Sp, MPa | nom. | 225 | 310 | 280 | 380 | 440 | 440 | 600 | 650 | 830 | 970 |
| Proof strength ratio | Sp,nom/ReL min Sp,nom/Rp0,2 min Sp,nom/Rpf min |
0,94 | 0,91 | 0,93 | 0,90 | 0,92 | 0,91 | 0,91 | 0,90 | 0,88 | 0,88 |
| Percentage elongation after fracture for machined test pieces, A, % |
min. | 22 | — | 20 | — | — | 12 | 12 | 10 | 9 | 8 |
| Percentage reduction of area after fracture for machined test pieces, Z, % |
min. | — | 52 | 48 | 48 | 44 | |||||
| Elongation after fracture for full-size fasteners, Af |
min. | — | 0,24 | — | 0,22 | 0,20 | — | ||||
| Head soundness | No fracture | ||||||||||
| Vickers hardness, HV F ≥ 98 N |
min. | 120 | 130 | 155 | 160 | 190 | 250 | 255 | 290 | 320 | 385 |
| max. | 220 | 250 | 320 | 335 | 360 | 380 | 435 | ||||
| Brinell hardness, HBW F = 30 D2 |
min. | 114 | 124 | 147 | 152 | 181 | 238 | 242 | 276 | 304 | 304 |
| max. | 209 | 238 | 304 | 318 | 342 | 361 | 414 | ||||
| Rockwell hardness, HRB | min. | 67 | 71 | 79 | 82 | 89 | — | ||||
| max. | 95,0 | 89 | — | ||||||||
| Rockwell hardness, HRC | min. | — | 22 | 23 | 23 | 32 | 39 | ||||
| max. | — | 32 | 34 | 37 | 39 | 44 | |||||
| Surface hardness, HV 0,3 | max. | — | (1) | (1),(2) | (1).(3) | ||||||
| Height of non-decarburized thread zone, E, mm |
min. | — | 1/2 H1 | 2/3 H1 | 3/4 H1 | ||||||
| Depth of complete decarburization in the thread, G, mm |
max. | — | 0,015 | ||||||||
| Reduction of hardness after retempering, HV | max. | — | 20 | ||||||||
| Breaking torque, MB, N⋅m | min. | — | in accordance with ISO 898-7 | ||||||||
| Impact strength, KV, J | min. | — | 27 | — | 27 | (4) | |||||
| Surface integrity in accordance with | ISO 6157-1 | ISO 6157-3 | |||||||||
| (1) Surface hardness shall not be more than 30 Vickers points above the measured core hardness of the fastener when determination of both surface hardness and core hardness are carried out with HV 0,3. (2) Any increase in hardness at the surface which indicates that the surface hardness exceeds 390 HV is not acceptable. (3) Any increase in hardness at the surface which indicates that the surface hardness exceeds 435 HV is not acceptable. (4) Value for KV is under investigation. |
|||||||||||
Proof Load
| Thread d |
Nominal stress area As, nom, mm2 |
Property class | ||||||||
|---|---|---|---|---|---|---|---|---|---|---|
| 4.6 | 4.8 | 5.6 | 5.8 | 6.8 | 8.8 | 9.8 | 9.8 | 12.9/12.9 | ||
| Proof load, Fp (As,nom × Sp,nom), N | ||||||||||
| M12 | 84,3 | 19 000 | 26 100 | 23 600 | 32 000 | 37 100 | 48 900 | 54 800 | 70 000 | 81 800 |
| M16 | 157 | 35 300 | 48 700 | 44 000 | 59 700 | 69 100 | 91 000 | 102 000 | 130 000 | 152 000 |
| M20 | 245 | 55 100 | 76 000 | 68 600 | 93 100 | 108 000 | 147 000 | — | 203 000 | 238 000 |
| M22 | 303 | 68 200 | 93 900 | 84 800 | 115 000 | 133 000 | 182 000 | — | 252 000 | 294 000 |
| M24 | 353 | 79 400 | 109 000 | 98 800 | 134 000 | 155 000 | 212 000 | — | 293 000 | 342 000 |
| M27 | 459 | 103 000 | 142 000 | 128 000 | 174 000 | 202 000 | 275 000 | — | 381 000 | 445 000 |
| M30 | 561 | 126 000 | 174 000 | 157 000 | 213 000 | 247 000 | 337 000 | — | 466 000 | 544 000 |
| M33 | 694 | 156 000 | 215 000 | 194 000 | 264 000 | 305 000 | 416 000 | — | 576 000 | 673 000 |
| M36 | 817 | 184 000 | 253 000 | 229 000 | 310 000 | 359 000 | 490 000 | — | 678 000 | 792 000 |
| M39 | 976 | 220 000 | 303 000 | 273 000 | 371 000 | 429 000 | 586 000 | — | 810 000 | 947 000 |
Tensile Load
| Thread d |
Nominal stress area As, nom, mm2 |
Property class | ||||||||
|---|---|---|---|---|---|---|---|---|---|---|
| 4.6 | 4.8 | 5.6 | 5.8 | 6.8 | 8.8 | 9.8 | 9.8 | 12.9/12.9 | ||
| Minimum ultimate tensile load, Fm min (As, nom × Rm, min), N | ||||||||||
| M12 | 84,3 | 33 700 | 35 400 | 42 200 | 43 800 | 50 600 | 67 400 | 75 900 | 87 700 | 103 000 |
| M16 | 157 | 62 800 | 65 900 | 78 500 | 81 600 | 94 000 | 125 000 | 141 000 | 163 000 | 192 000 |
| M20 | 245 | 98 000 | 103 000 | 122 000 | 127 000 | 147 000 | 203 000 | — | 255 000 | 299 000 |
| M22 | 303 | 121 000 | 127 000 | 152 000 | 158 000 | 182 000 | 252 000 | — | 315 000 | 370 000 |
| M24 | 353 | 141 000 | 148 000 | 176 000 | 184 000 | 212 000 | 293 000 | — | 367 000 | 431 000 |
| M27 | 459 | 184 000 | 193 000 | 230 000 | 239 000 | 275 000 | 381 000 | — | 477 000 | 560 000 |
| M30 | 561 | 224 000 | 236 000 | 280 000 | 292 000 | 337 000 | 466 000 | — | 583 000 | 684 000 |
| M33 | 694 | 278 000 | 292 000 | 347 000 | 361 000 | 416 000 | 576 000 | — | 722 000 | 847 000 |
| M36 | 817 | 327 000 | 343 000 | 408 000 | 425 000 | 490 000 | 678 000 | — | 850 000 | 997 000 |
| M39 | 976 | 390 000 | 410 000 | 488 000 | 508 000 | 586 000 | 810 000 | — | 1 020 000 | 1 200 000 |
Lớp phủ của tiêu chuẩn ISO 4014
Tiêu chuẩn không chỉ định bất kỳ lớp phủ hoặc lớp hoàn thiện nào cho bulong, vì việc lựa chọn lớp phủ tùy thuộc vào ứng dụng và môi trường mà bu lông sẽ được sử dụng.
Nói như vậy, thông thường bulong ISO 4014 được phủ nhiều lớp hoàn thiện khác nhau để cải thiện khả năng chống ăn mòn và vẻ ngoài của chúng. Dưới đây là một số lớp phủ phổ biến nhất được sử dụng cho bulong ISO 4014:
- Mạ kẽm: Đây là một trong những lớp hoàn thiện phổ biến nhất cho bulong, bao gồm cả bulong ISO 4014. Mạ kẽm cung cấp một lớp kẽm mỏng trên bề mặt bulong, mang lại khả năng chống ăn mòn tuyệt vời. Bulong mạ kẽm thường được sử dụng trong các ứng dụng trong nhà, nơi chúng không tiếp xúc với môi trường khắc nghiệt.
- Mạ kẽm nhúng nóng: Đây là quá trình nhúng bulong vào bể kẽm nóng chảy, tạo thành một lớp mạ dày, bền trên bề mặt bu lông. Mạ kẽm nhúng nóng thường được sử dụng cho các bu lông sẽ tiếp xúc với môi trường khắc nghiệt ngoài trời.
- Lớp phủ oxit đen: Đây là một quá trình hóa học trong đó bề mặt của bulong được chuyển thành oxit đen. Lớp phủ oxit đen cung cấp một số khả năng chống ăn mòn và cũng mang lại cho bulong vẻ ngoài đen bóng mượt.
- Mạ crom: Đây là quá trình trong đó bề mặt của bulong được phủ một lớp crom. Lớp mạ crom cung cấp khả năng chống ăn mòn tuyệt vời và cũng mang lại cho bulong vẻ ngoài sáng bóng, phản chiếu.
Đây chỉ là một số lớp phủ có thể được sử dụng cho bulong ISO 4014. Việc lựa chọn lớp phủ phụ thuộc vào nhiều yếu tố khác nhau, bao gồm môi trường sử dụng bulong, mức độ chống ăn mòn cần thiết và hình thức mong muốn.





Reviews
There are no reviews yet.